Jeremy Michell

Senior Curator of Maritime Technologies Published 11 Mar 2022

For more than a century, the wreck of Shackleton's ship Endurance has lain undisturbed in the icy waters off Antarctica. Its remarkable preservation is a testament to the ship's original builders and designers.

The discovery of Sir Ernest Shackleton’s expedition ship Endurance is incredible.

Despite being crushed by moving ice floes and dropping 10,000ft (3km) down to the Weddell Sea floor, the ship is in an amazing state of preservation.

Footage from the wreck site shows the ship sitting upright, in defiance of what nature threw at it.

© Falklands Maritime Heritage Trust and National Geographic

The material captured during the discovery will help to tell us more about how Endurance was crushed and eventually sunk by the moving ice floes.

But it will also act as a testament to the ship's original builders, and the quality of workmanship at Lars Christensen’s shipyard in Norway.

The construction of Endurance

Endurance was built in Norway for the Belgian polar explorer Adrien de Gerlache, as part of a venture to lead polar bear hunting cruises for wealthy tourists.

A ship plan showing the original design of Endurance, made on blue paper with detailed white line drawings
Constructional section plan of Endurance (1912), as Polaris. Find this print

The business never started, and the Polaris — as the ship was originally named — was sold for £14,000 to Sir Ernest Shackleton for his Imperial Trans-Antarctic Expedition in 1914. This expedition planned to cross the Antarctic continent by dog sledge from the Weddell Sea to the Ross Sea via the South Pole.

The ship was rigged as a three-masted barquentine, but also had engines to take advantage of gaps in the ice if there was no wind or the wind was in the wrong direction. The hull was built from pine and oak with a cladding of greenheart wood, an extremely strong and durable timber.

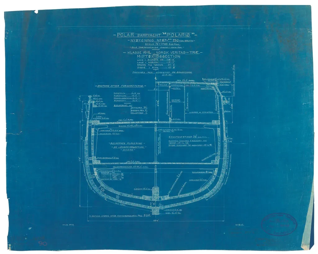
A ship plan showing the original design of polar exploration ship Endurance. It shows the 'midships plan', including a cross section of the ship's hull
Midships section plan of Endurance (1912), as Polaris. Find this print

The ship plans held by the National Maritime Museum come from the Pollock collection. This shipbuilding company were the British agents for the Swedish Bolinder engine, which were, in the end, never fitted to Endurance.

The small group of plans therefore show the ship as Polaris and not as it was laid out for Shackleton’s expedition, when it needed to accommodate 28 crew, up to 100 dogs, sledges, motor vehicles and other expedition paraphernalia.

‘The end of Endurance has come’

Having departed South Georgia on 5 December 1914 and entered the ice in the Weddell Sea, Endurance made its way south to try to reach the Antarctic coast.

However, in late February 1915 Endurance became trapped. For months the ship and its crew drifted at the whim of the currents and ice floes.

Historic black and white photograph showing Sir Ernest Shackleton's ship Endurance stuck in the ice, leaning to one side
Endurance listing to port, as the ice pressure builds. Photography taken by Frank Hurley (P4)

The ice kept shifting, continually squeezing and releasing the ship. Finally the mass movement of ice caused the ship to lift, heel over and begin to crack under the pressure. On 27 October 1915, Shackleton ordered his men to abandon the ship. 

Shackleton described the loss of Endurance in moving terms:

To a sailor his ship is more than a floating home, and in Endurance I had centred ambitions, hopes and desires... It was a sickening sensation to feel the decks breaking up under one’s feet, the great beams bending and then snapping with a noise like heavy gun-fire... The floes, with the force of millions of tons of moving ice behind them, were simply annihilating the ship.

He went on to explain, as he saw it at the time, how the ice was destroying the ship: ‘The ship was hove [lifted] stern up by the pressure, and the driving floe, moving laterally across the stern, split the rudder and tore out the rudder post and stern post... the decks were breaking upwards, and the water was pouring in below.’

After leaving the ship, the 28 men lived on the ice for six months in tents before undertaking an arduous boat journey to Elephant Island through icebergs and storms.

Five men, including Shackleton and Frank Worsley, then departed on an 800-mile boat journey in the 22ft James Caird to South Georgia, to raise the alarm and organise the rescue for the remaining crew on the island. This was ultimately achieved on the fifth attempt on 30 August 1916, almost two years after first departing from South Georgia.

Endurance wreck discovered

The most remarkable aspect of the wreck is the overall state of preservation.

The wreck of Endurance, showing the ship's stern, name and emblematic polestar
© Falklands Maritime Heritage Trust and National Geographic

The stern, with the name Endurance picked out in bold gold letters, is untouched above the rudder post, with guardrails, the wheel and companionway still standing.

The shipwreck of Endurance, taken from footage captured during the ship's discovery. The image shows the ship's wheel and aft well deck
© Falklands Maritime Heritage Trust and National Geographic

The lower section of the foremast, while broken, still lies across the deck. The starboard bow has lost the black paint, but the timber planking is in good condition and the bolts are gleaming in the light from the underwater robot.

The starboard bow of the wreck of Endurance
© Falklands Maritime Heritage Trust and National Geographic

The footage of the wreck acts as the third part of the interpretation triangle, alongside the ship's plans and expedition photographs taken by Frank Hurley.

It will help to bring alive the ship, the changes undertaken before the expedition, and the damage it sustained after being abandoned and sunk by the ice. Overall, it brings this amazing story of survival to a new audience.

Shackleton's family motto is 'By Endurance we conquer'. Never has a ship better lived up to that maxim.

Visit the Polar Worlds gallery

Science, exploration and life in extreme environments - visit the Polar Worlds gallery at the National Maritime Museum